關于教學設備,就此專題選擇了行業內知名度較高的交互智能平板、液晶投影機、激光投影機三款典型樣機,應用現有的測試資源,從清晰度、閃爍度和輻射做了測試驗證。
清晰度:投影儀邊緣模糊,尺寸越大越明顯
人眼觀看模糊的畫面會收縮放大瞳孔,而局部模糊會讓人眼不斷調整瞳孔,造成用眼疲勞。投影機受光學鏡片的公差、材料特性、熱脹冷縮等影響,會出現虛焦現象,就是調整焦聚中間清晰后,但邊緣出現模糊問題,投放尺寸越大越明顯。交互智能平板是液晶顯示屏幕,技術上占據優勢,并不會出現此問題。

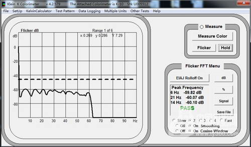
閃爍度:投影儀使用年限過長后,閃爍頻率偏高
閃爍會在一定時間內造成眼睛疲勞和眩暈。通過Flicker測試波形圖,可以發現交互智能平板和投影機都在安全范圍值內。但是投影機在長久未經維修的情況下容易發生屏幕閃爍現象,投影實測值高于-45dB(人眼能感受到的閃爍頻率),但使用年限相同的交互智能平板依舊在安全值內。

投影Flicker測試波形

交互智能平板Flicker測試波形
EMI輻射:交互智能平板和投影都沒有明顯的輻射超標
通過測試對比,可得出交互智能平板的輻射低于投影,但投影和交互智能平板的EMI都在安全范圍內,沒有明顯的輻射超標。

激光投影EMI測試數據

交互智能平板的EMI測試數據
從以上三個維度的測試中可看出,教學設備交互智能平板和投影都在安全范圍值內,且交互智能平板占據一定優勢。教學設備并不會對學生的視力和健康造成影響。
文章來源:中國投影網 ©版權所有。未經許可,不得轉載。